2021-02-05
微動開關其實非常的常見,它主要用在如電腦鼠標、汽車鼠標器、汽車電子產品、通訊設備、軍工產品,測試儀器、燃氣熱水器、燃氣熱水器、煤氣灶、小家電、微波爐、電飯鍋、浮球設備配套、醫療器械、樓宇自動化、電動工具及一般電氣和無線電設備、24小時定時器等.
歐姆龍(OMRON)微動開關V-15-1C25主要應用于工業設備、電子電器、自動化控制、家電器具、儀器儀表、通信設備、醫療器械、交通工業等行業
V系列是追求可靠性、安全性的小型基本開關
【詳細說明】
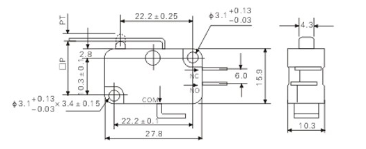
1.外形尺寸圖

2.歐姆龍微動開關V型特點如下

點擊咨詢
電話咨詢
QQ咨詢
微信咨詢
回到頂部